Synchronous Serial Interface(SSI)是一种可应用于数据发送和接收的全双工串行接口,广泛应用于各种串行设备的通信。自SSI接口标准诞生以来,即在传感测量、工业控制等领域取得迅速广泛的应用。单片机、DSP、PC104、工控机等工控领域常用的控制器一般不提供SSI接口,市场上常见的SSI转换器多是将SSI信号转换成通用异步串行信号,通信速率低、价格高、不易安装,此外SSI磁致伸缩位移传感器供应商一般也不提供接口转换器,这些因素在一定程度上限制了SSI磁致伸缩位移传感器的应用。并且由于此接口为近几年新推出的接口,介绍资料较少,大的工控厂家推出的相关SSI接口产品,也只公布了接口的外特性,因此如果要在自己的产品中添加SSI接口就变得较困难,即使有可靠的SSI接口转换或实现芯片,其价格也较高。
笔者在为某单位的磁致伸缩位移传感器产品中添加SSI接口的过程中,遍查资料,并实验了三种不同的实现方案,最后确定了一种简单可靠,且成本较低廉的实现方案。产品化及近一年的应用考验表明,此方案通信可靠,实现方便、成本低廉,具有很高的推广价值。
1、SSI接口规范
1.1简要介绍
SSI接口综合概括起来,具有两方面的特点:
1)电气接口方面,采用RS422的电气接口;
2)通信控制方面,不是用RS485/422那样的用硬件控制发送及接收采样过程(固定波特率)的方式,而是用一根CLOCK端口线来由上位机控制发送及采样的过程,类似于芯片间I2C总线的时序。
也就是说,SSI接口在电气上可直接采用RS422/485的电气接口。但控制逻辑上,却需要软件实现遵从相应时序的控制逻辑。
具体来说,SSI接口磁致伸缩位移传感器采用主机主动读取方式,SSI接口有四根信号线,二根为CLOCK,二根为DATA,均采用差分方式,如下表:
1.2典型电路介绍
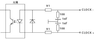
通过上面的分析,可以得出SSI的接收电路,即CLOCK,可以使用如图1典型电路。
CLOCK上的信号差分电压驱动光隔的通断,进而在左方的输出接口中送出适应单片机或其它类MCU读写的信号。
如不使用光隔,也可采用图2电路。
即直接采用RS422的接收器来进行接收。但笔者的试验表明,使用光隔要比直接采用RS422接收器可靠的多。
对于发送电路,则无需加光隔,可直接采用RS422的发送驱动器,如图3.
1.3时序介绍
SSI通信的时序见图4.
说明如下:
1)没有数据传送时,CLOCK及DATA线上为高电平;
2)当前传送的值将在CLOCK线的下降沿时加载到缓冲区,并在接下来的上升沿时送到DATA线上;
3)发送完一个完整的数据后,DATA线需要保持一段时间的低电平(t3),直到接口准备好查询下一个新数据。如果在t3期间收到了CLOCK的下降沿,则会使缓冲器中的数据再一次输出DATA上;
4)CLOCK高电平且持续时间比t3长时,会中断当前数据的发送。在这种情况下,下一个CLOCK下降沿会将新数据位送入缓冲区。
1.4通讯速率与通讯线长的关系
要计算理论的最高通讯速率和对应的通讯线缆长度,需要计算整个系统的传输延时,并确认接收的数据是否在CLOCK的下降沿(见时序图中的A)或CLOCK的上升沿(见时序图中的B)时能正常地接收到接收器中。
整个系统的最大传输延时是:数据在下降沿采集时=T/2;数据在上升沿采集时=T。
系统传输延时的参考算法是:T总=T发送端+T接收端+T线缆。
T发送端:为发送端的器件延时,参考具体发送器件详细技术规范;
T接收端:为接收端的器件延时,参考具体接收器件详细技术规范;
T线缆:为线缆的传输延时,可用公式T线缆=2×6.5ns/m×L线缆长度来估算。
举例说明,如果器件延时约为300ns的话,即T发送端+T接收端=300ns,则有:
本文所介绍的实现方案中采用MAX490E为驱动器,其发送或接收器件延时最大为40ns,则T发送端+T接收端=80.又软件中采用下降沿取数,最大系统延时为T/2计算,由上表可见,当通讯速率为300kHz时,近似为300KBps时,可传输的距离可达250m左右。这个结果在实验中也得到了证明。
2、SSI接口硬件设计
经过三种不同器件及实现,最始选定大众化的MAX490E作为RS422的发送器作为发送端,6N137高速光隔作为接收端来实现SSI接口,本实现方案价格低,可靠性也比较高。
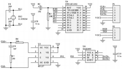
硬件设计的电路图如图5.
图中,采用STC12C1052单片机,这款单片机支持ISP,因此,上图中通过P2插座连接MAX232之类的转RS232芯片,即可同计算机串口连接并进行在线编程。
6N137为高速光隔,为常用器件,其具体参数不再赘述。
MAX490E为带ESD保护的RS485/422发送器,具有如下特性:
1)±15kVESD保护;
2)最低至300μA的静态电流;
3)-7V至+12V的共态输入电压;
4)三态输出;
5)30ns的传播延时;
6)可选用全双工或半双工型号;
7)限流保护及器件负载超载关闭保护;
8)综合性价比好。
3、SSI接口软件设计
作为通信接口,软件实现中最重要的是时序控制,如果时序中的延时、等待等控制不好,都有可能导致通信中止,甚至使软件陷入死循环。
在编制SSI接口软件,充分考虑到了各种可能出现的故障,运行效果非常好。
4、结束语
将以上介绍实现的SSI接口板配套于磁致伸缩位移传感器中,经过一段时间的运行,工作正常。加上此方案实现成本很低,因此,笔者认为这是一个值得推广的SSI接口实现方案。





微信扫一扫