前言
随着科学技术的不断发展,加油站和油库的自动化管理水平也在不断提高。其中,油罐的自动计量占有很重要地位。PLS磁致伸缩液位计以其自身的特点,在油罐液位自动计量中得到广泛应用。PLS磁致伸缩液位计具有以下特点:使用可靠;测量精度高,可达到±1mm;易维护。
1基本原理
PLS磁致伸缩液位计(以下简称液位计)主要由一根特殊材料做成的丝、不锈钢管、液位浮子、接收线圈和控制电路等组成、具体做法是:先把丝固定在一个底端封闭、上端开口的细不锈钢管里,钢管竖直立在油罐中,在钢管外面套上2个密封的浮球。浮球内装有环形磁铁,2个浮球分别浮在油面和水面上,并且可以沿钢管上下自由移动。测量液面高度时,电路首先向丝上瞬时通电,产生一个电脉冲。这个电脉冲在丝周围产生一个环形磁场。该磁场与浮球内磁铁的磁场相互作用。在丝上产生一个小的扭曲变形,这个变形的磁场沿着丝向丝的两端移动。当移动到信号接收线圈时,由于磁致伸缩效应。会向外发出一个微弱的变化磁场。线圈拾取这个变化磁场,经过放大、整形处理。就可以检测到这个变化磁场。由于扭曲变形是以一个恒定速度沿丝移动。通过测量从发脉冲到拾取到信号的时间,可知道浮球与线圈的距离,即反映了液位的高低。从而实现对液位的精确计量。钢管内装有温度传感器。可测出罐中液体的温度。
2可靠性
产品的可靠性是用户最关心的问题,也是衡量产品性能优劣的重要指标。
2.1用外部“看门狗”
液位计是通过单片机来实现油罐自动计量的,而单片机属于数字系统,各逻辑元件都有相应的阀值电平和噪声容限。当外界环境突然发生变化时。有可能会改变单片机内部的触发器或存储器的信息,而在噪音消失后系统也不能恢复正常,
这是通常所说的“死机”、因此,“看门狗“成了工控单片机系统必不可少的成员之一。通常采用软件与片外专门电路相结合的技术来防止单片机程序“跑飞”。在正常状态下,在一定时间内,单片机通过程序来清“看门狗“。一旦程序“跑飞”超过一定的时间,而单片机没有清“看门狗“,则外部“看门狗”就会发出一个复位信号,使单片机重新复位,程序重新运行。这样就可解决单片机的“死机”问题。
2.2用外部
在实现油罐自动计量中,有些数据、如磁致伸缩丝的斜率,截距值和油水液面补偿值及温度传感器的参数等都需要在液位计使用前存储起来。在计量中,单片机可直接使用这些数据,故本系统用外部的EEROM存储器来储存这些数据。EEROM存储器具有多次重复写寿命。掉电后数据保持不变的特点。从而保证了获得数据的准确可靠性。
2.3自动调整比较电压
在本系统中。线圈拾取的信号经过放大器放大后。输入到比较器,比较值再经过整形后送到单片机的中断管脚。由于线圈接收到的信号较弱,在生产中每个放大器输出信号的幅值不可能完全相同,而且随着温度的升高,输出信号幅值也会减小、若比较电压固定不变。当信号衰减时,就会取不到该信号:在电路设计中。我们做了电压自动可调处理,可随时改变比较器的参考电压。在取信号前,先从高向低调整该参考电压,当能正确取到油面和水面浮子的信号时,再取信号,算出距离,从而在外界环境发生变化的情况下,也能保证正确可靠的使用。
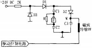
2.4升压电路
为了使磁致伸缩丝充分发挥作用,必须保证它瞬间的脉冲电流足够大。该液位计若使用在油罐计量中,要求应为本安型防爆,故在电源输出端串人安全栅,用标准24V工业电源,经过安全栅(内含2002左右的电阻)和电缆线,到液位计控制板上的电压只有20V左右。所以要保证丝上有足够强的电流,就必须使丝两端的电压升高,增加丝的长度时更是如此。故我们专门设计了一个用电容来瞬时升压的电路(见图1),以便能够正确可靠地检测到信号。因防爆需要,在电源正(±24VDC)和地之间加了2K的限流电阻、本电路利用反向器F、R、C2构成方波震荡器,使M点电压达到48V,再用单片机去控制丝上电流通断,从而使磁致伸缩丝获得较大的驱动电流。
2.5通讯数据中加入循环冗余校验
在噪声幅度较大的环境中加入循环冗余校验CRC码可以增加系统的可靠性,对硬件或干扰错误有较好的纠错效果。采用的主要措施是在输出的数据信息后面增加一个字节的冗余码同时发出。该冗余码是通过将传送的数据流多项式除以CRC多项式得到的。在实际应用中,CRC多项式预先给定。数据1和0为被除多项式的系数,除法用模2减(无错位)实现,而且余数作为冗余码,数据将被传输的余数(即校验码)和它计算出的余数相比较,相等则表示没有错误发生,不相等则表示有错误。算法举例见下图。
3精度
计量精度高是用户选用液位计的主要因素。从原理上讲,PLS磁致伸缩液位计具有很高的精度。但在实际应用中,若考虑不周,也会影响其精度。我们在设计中考虑了以下几个方面,从而减少了外部环境对系统精度的影响。
3.1接地
在电子线路中,如果接地处理不好,有可能使于扰信号大于有用信号,也可能使外部干扰信号通过地线窜人单片机系统,从而影响单片机正常工作。从线圈拾取来的信号比较弱,所以该信号特别容易受干扰,使我们取的信号有误,影响精度。我们在接地时作了如下处理:
①数字地和模拟地之间采用单点连接技术,消除地环;
②地线加粗,尽量减小地电阻;
③在24V电源系统与5V电源系统之间采用DC-DC隔离技术,保证单片机系统正常工作;
④)信号输人线外加屏蔽,减少外部幅射干扰,提高系统精度、
3.2两段式标定
在产品出厂前,每个液位计都要标出其斜率和截距。由于丝在生产中材质分布不均匀,从而使得信号在丝上不同点传播的速度有偏差。故在设计时,我们把丝分成2段或多段,每段分别标定出不同的斜率和截距。这样就可减少由于丝材质不均匀而造成的误差,提高了精度。
3.3数字滤波
在取液面高度时,有时会有干扰信号窜进来。单片机若取到该信号,就会产生错误计数,影响计算精度。故在设计软件时,我们采用连续取数次信号,然后取其平均值的算法。在所取的几次信号中,若有一次信号的时间值与平均值相差很大,则视为有干扰进人,单片机自动舍弃这组数据,重测。通过以上处理,就可确保每次信号都能正确取到,提高了系统的精度。
4维护性
用户在使用产品的过程中可能会出现各种问题,这时产品维护的难易程度对衡量一个产品的好坏就占有了重要的地位。在研制液位计的过程中,我们对产品的维护方面做了全面的考虑,
4.1智能化、内部透明
本系统采用智能方式,系统内部的关键数据可通过命令传到微机。在正常情况下,一些数据参数都是不可见的。当出现错误时,就可在报警记录中查出错误类型,参考用户使用手册就可知道是何种类型的错误,然后通过一些命令可读取到相关的数据,如信号幅值、比较电压值、斜率值、截距值、零点调整值、传感器的参数等,从而知道错误原因,并做相关处理。
4.2自诊断能力
在正常工作中,若因干扰等原因使得系统参数被改变等,如温度传感器的地址参数被改变等,当执行取温度命令时,系统若发现没有取到温度值,则系统自动把传感器的参数重新设置,然后即可正常取温度。这样,在系统内部出现问题时,系统可做自我检测,自我调整,从而增强了系统的稳定性。
5结束语
PLS磁致伸缩液位计在油罐液位自动计量方有很强的实用性,有助于实现加油站自动化管理,提高了效率,是加油站实现自动化程度的重要标志。


微信扫一扫