磁致伸缩位移传感器的电路原理框图如图1所示。在周期脉冲发生模块中,由晶振和计数器调节控制时钟频率,向波导丝发送激励电流脉冲信号;信号拾取模块中,检测线圈感知接收回波信号,噪声信号为共模信号,而扭转波信号为差模信号,因此经信号的滤波和差模放大后,进行零位或峰值检波,确定扭转弹性波信号从浮球处传到检测线圈的时间,以脉冲宽度反映扭转弹性波在波导丝中的传播时间;在每一个周期内对电压比较电路处理后的脉冲信号积分,经过过压保护电路和放大电路后调整到合适的输出电压,将位置信息以符合HART协议的标准电流信号形式输出。

该处理电路中涉及的关键技术有:
①需要产生一个足够能量的周期激励脉冲电流信号,该脉冲信号在波导丝周围感应出周期脉冲环形磁场,需要足够大的电流强度。
②扭转弹性波信号的拾取、滤波和末端弹性波的吸收以及电压比较处理,决定了传感器性能的好坏。
③利用脉宽调制技术(PWM),实现电压峰值或零位比较检波,通过发射电流脉冲到接收到回波信号确定扭转弹性波在波导丝中的传播时间。
④对周期脉冲电压信号积分,实现电压到电流的转换输出。
1、周期脉冲电流产生模块
试验做一个量程为2m的位移传感器,扭转波波速根据波导丝材料成分的不同而相差较大,大概为3000m/s,最远处扭转弹性波传到波检测器处的时间为0.667ms,对于晶振发出的时钟信号进行分频处理,选取的脉冲周期应该大于扭转弹性波在波导丝中的最长传播时间。由于发射的电流脉冲信号对于检测到优化的信号来说起着重要的作用,而信噪比取决于电流脉冲周期和脉冲幅度。图2中,Q的基极输入时钟脉冲信号,在2处由于Q的开和关而产生反冲电压,从而产生需要的脉冲电流。

2、回波接收模块
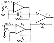
扭转弹性波信号的检测拾取、滤波是设计传感器回波接收模块的关键技术,因此回波信号的耦合和滤波放大电路显得尤其重要,它决定了能否采集到稳定的回波信号。由于线圈接收到的传感器振动、热噪声等干扰信号为共模信号,扭转波信号为差模信号,采用差模放大,提高共模抑制比的方法增强回波信号可信度。图3为回波差模放大电路,U₁和U₂对检测到的信号滤波放大后,由U₃对这两个信号差模放大,为后续的处理电路得到了较好的信号
3、脉宽调制电路
电压比较电路是工业控制中经常遇到的信号处理方法,主要作用是根据电路性能的需要,预先设定好一个门限电压,实现输入信号电压与门限电压的比较,从而输出高、低电平。如图4所示,利用差模放大后的电压信号与门限电压比较,产生一个PWM信号,脉冲宽度与发射激励电流脉冲和接收到电压脉冲的时间间隔成线性比例。
4、积分放大电路
积分电路将经过PWM的脉冲信号积分后得到电压平均值,通过调整电路参数将电压值转换到合适的电压范围,从而转换成工业标准的1~5V电压信号或4~20mA电流信号。如图5所示,将PWM信号积分放大后得到一个稳定的电压均值,将传感器的位置信号转换成了电压均值,电压幅度随着浮球位置的改变呈线性变化。



微信扫一扫