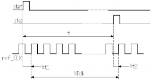
时间测量模块是系统实现的关键部分,时间测量的精度越高,磁致伸缩位移传感器的距离分辨率就越高。目前主要的时间测量方法主要有:脉冲计数法、模拟内插法、游标法、时间数字转换(TDC)法等。脉冲计数法具有测量范围大、线性好、实现简单等优点,是一种最简单有效的时间测量方法。脉冲计数法测量时间间隔原理如下图所示。

FPGA在产生起始脉冲信号Start的同时启动时间测量模块开始计时,传感信号经过信号调理之后的整形脉冲信号为Stop,输入到FPGA的IO口中被FPGA捕获到时停止时钟计数。被测时间t由3个部分组成:1)脉冲计数法得到的参考时钟整数倍部分NT;2)Start信号上升沿与紧接着的参考时钟上升沿之间的时间间隔△;3)Stop信号上升沿与紧接着的参考时钟上升沿之间的时间间隔△t₂。则有:
t=NT+△t₁-△t₂
式中:T为参考时钟周期;t为精确的待测回波飞行时间;NT为脉冲计数法实际测得的飞行时间;△T=△t₁-△t₂即为脉冲计数法的量化误差。
脉冲计数法的量化误差大小取决于参考时钟的频率,要想减小量化误差,直接的办法是提高参考时钟的频率。然而测量精度要求越高,对参考时钟的频率要求也越高。当时间测量的分辨率要达到ns级别,参考时钟的频率则需高达GHz,一方面这在电路上难以实现,而且也难以保证其稳定性,时钟误差也较大。为了测量非整数时钟周期部分△t和△t₂的大小,可以采取用一定的短时间间隔测量方法如模拟内插法、游标法、延迟线法等。然而模拟内插法虽然理论上可以实现很高的时间分辨率,但是实现复杂且测量过程中容易受外部噪声干扰以及环境温度等因素的影响;游标法需要非常精确的参考时钟源,实现上比较困难;延迟线法可以测量微小的时间间隔,但是测量时间间隔的增加将导致延迟线数目大大增加。为了避免以上的测量问题,这里介绍一种在不提高外部时钟频率的情况下,有效提高时间测量精度的方法,即多相位时钟计数法。
微信扫一扫