利用TDC进行时间测量
下表总结了当前数据手册中不同TDC的差异,其他高端TDS也具备应用潜力。
表1:当前不同高端TDC的对比总结

AS6500是磁致伸缩位移传感器应用中时间测量任务的理想解决方案之一。这款单芯片时间数字转换器(TDC)拥有4个通道,每个通道的单次测量分辨率可达20 ps RMS(均方根),轻松满足高精度定位需求。
此外,其测量范围可达200 ms,且分辨率保持一致,动态范围达30位。凭借FIFO多命中功能,AS6500可一次性处理多个磁体信号,处理深度取决于FIFO容量。该芯片采用小型QFN40封装,便于设计紧凑的电路板。
时间差计算
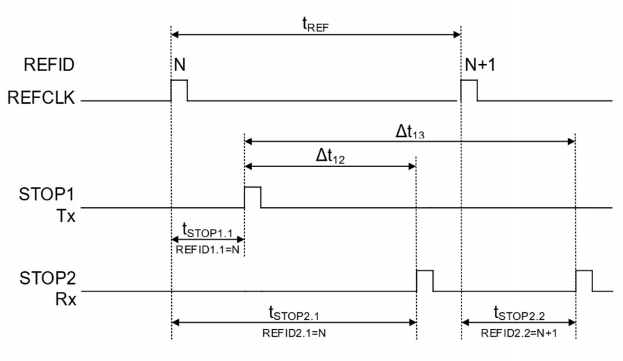
AS65xx的测量结果为停止事件脉冲与前序参考时钟脉冲的时间间隔。在许多应用中,需要计算停止事件脉冲之间的时间差(例如使用石英晶体作为参考时钟的场景)。根据应用需求和测量配置,可通过多种方法在连接的微处理器或FPGA中计算两次停止事件的时间差。
通用方法
输出接口(SPI或LVDS)可同时提供数据REFID(参考索引)和TSTOP(停止时间),利用这些数据可计算停止事件之间的时间差。
特殊情况:当发送端参考索引(REFID1.1)等于接收端参考索引(REFID2.1)时,无需读取REFID:
若停止事件始终发生在同一参考周期内,只需读取停止结果并计算差值即可:
Δt12 = (tSTOP2.1- tSTOP1.1)
最大时间差取决于参考索引的位宽。若停止事件跨参考周期(如REFID2.2 ≠ REFID1.1),则需结合参考索引计算
Δt13 = (tSTOP2.2- tSTOP1.1) + (REFID2.2 – REFID1.1) × REFCLK_DIVISIONS


微信扫一扫