高精度浮筒液位计基于磁致伸缩原理,由磁致伸缩液位计配套外浮筒组成,多种安装形式,两线制回路供电4~20mA / HART, Modbus或Profibus输出可选, 可以单独或同时测量液位和界面,很好的避免了传统浮筒液位计测量精度受温度、密度变化影响大、实物标定、扭力管金属疲劳、后期维护量大等缺陷,而且具有高精度、高可靠、免维护等典型优势。
技术规格:
| 精 度 | ±1mm或0.03%满量程 | 供电电压 | 16~30VDC,带单极性保护 |
| 环境温度 | -40~65℃ | 显 示 | LCD |
| 信号输出 | 两线制,4~20mA/HART | 防爆等级 | Ex ia IIC T4,Ex d IIC T6 |
| 防护等级 | IP67 | 过程压力 | 真空~16MPa |
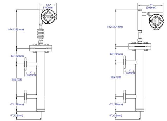
| 过程温度 | 0~149℃ | 量程范围 | 0.15~4.5m |
| 探杆外径① | 1/2″或5/8″ | 底部死区 | 小于2.5″ |
| 探杆类型 | 硬杆 | 探杆材质 | 316L SS |
| 过程连接 | 短管或法兰 | 表头结构 | 单腔室 |
| 外壳材质 | 压铸铝/不锈钢 | 外壳处理 | 聚酯涂层(仅限压铸铝材质) |
| 电气接口 | 1/2″NPT(F)或M20×1.5 | 排气排污 | 堵头/阀门 |
尺寸结构:

特点:
多功能:可单独或同时测量液位、界面
高精度:测量精度高达±0.38mm或0.01%满量程(取大值)
免维护:核心元器件不与介质直接接触,无需定期维护
免标定:智能化设计,参数自动存储,无需实物标定
易操作:标准按键,无需其他辅助设备
易安装:安装方便,NPT/法兰连接
高安全:Ex ia IIC T4、Ex d IIC T6防爆等级和IP68防护等级
低功耗:LCD显示,两线制回路供电 4~20mA/HART Modbus或Profibus输出可选
应用行业及装置:
锅 炉:汽包液位
罐 区:炼油厂、油库、油站、化工品仓储、石化企业库
电 力:辅机液位(高加、低加、除氧器、凝汽器、轴封加热器等)、化学水处理
煤 化 工:甲醇、二甲醚、合成氨/尿素、煤制烯烃、煤制油、煤制气
硅 行 业:有机硅、多晶硅
石油石化:油气开采与集输、炼油、乙烯、三聚等
精细化工:甲烷氯化物、环氧乙烷、苯胺、PTMEG、BDO、碳纤维、聚甲醛、醋酸、苯乙烯、橡胶、粗苯精制等
其 它:冶金、造纸、水处理、生物制药、食品饮料、轻工等
过程安装:

安装:
安装过程中避免液位计探杆弯曲变形甚至损坏。如果探杆弯曲变形,将会阻碍浮子在探杆上自由移动,进而影响测量结果。安装步骤如下:
1.核实浮子大小是否可以顺利进入浮筒或安装孔,以及相关配件是否合适;
2.浮子直接安装到液位计的探杆上,并可以在探杆上自由移动,浮子安装时,注意标有“UP↑”的方向与测量方向一致;
3.清理液位计探杆、浮子上的附着物、污迹;
4.安装时注意“0”点对齐。如果订购产品要求带固定法兰,则现场安装时直接安装即可;如果订购产品未要求带有固定法兰,则现场安装时需要对齐“0”点,液位计显示液位为0mm时,将液位计固定在安装法兰上;
5.清理液位计表面安装过程中产生的附着物、污迹。
微信扫一扫